Данная схема радиомодема в большом количестве "валяется" по всему Интернету, но я всё-таки повторюсь. Данный радиомодем до ужаса прост в создании и эксплуатации, чем интересен не только начинающим радиолюбителям. Несмотря на простоту, он работает на скоростях до 9600 бод.
Для работы с данным радиомодемом достаточно 286/16Mhz компьютера с соответствующим программным обеспечением, трансивер УКВ ли КВ диапазона, имеющего гнездо управления PTT.

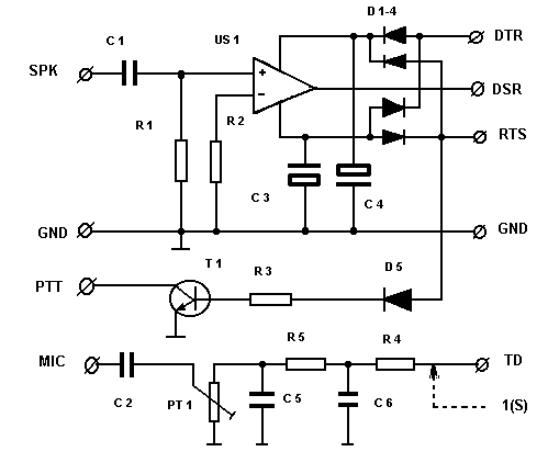
Данный модем подключается к порту RS-232 и питается непосредственно от него (сигналы RTS и DTR) и не требует дополнительного питания операционного усилителя. Диодный мост служит для обеспечения питанием в не зависимости от потенциалов на контактах RTS (Request to Send) и DTR (Data Terminal Ready).
На вход операционного усилителя подаётся НЧ сигнал с выхода трансивера. Минимальный уровень данного сигнала должен быть не менее 100 мВ. Выходной сигнал с операционного усилителя поступает на контакт DSR (Data Set Ready).
При передачи на соответствующий вход трансивера подаётся сигнал PTT. Положительное напряжение с линии RTS переводит транзистор Т1 в насыщенное состояние. В это время на микрофонный вход передатчика подаётся сигнал TD (Transmitteg Data), что становится причиной модуляции несущей. Цифровой сигнал при помощи RC фильтра меняется на синусоидальный, а потенциометр РТ1 помогает установить на выходе соответствующую амплитуду сигнала в зависимости от чувствительности микрофонного входа передатчика.
Весь радиомодем монтируется внутри пластикового корпуса переходника HD25/HD9 (мама-папа) с использованием печатной платы на рисунках сверху.
Список радиоэлементов
| Обозначение | Тип | Номинал | Количество | Примечание |
|---|---|---|---|---|
| US1 | Микросхема | ULY7741 | 1 | TL061 |
| T1 | Биполярный транзистор |
BC107 |
1 | КТ315 |
| D1-D5 | Выпрямительный диод |
1N4148 |
5 | КД522 |
| С1, С2 | Конденсатор | 0.1 мкФ | 2 | |
| С3, С4 | Электролитический конденсатор | 2.3 мкФ 16 В | 2 | |
| С5, С6 | Конденсатор | 0.01 мкФ | 2 | |
| R1, R2 | Резистор |
82 кОм |
2 | |
| R3 | Резистор |
1.5 кОм |
1 | |
| R4, R5 | Резистор |
4.7 кОм |
2 | |
| РТ1 | Подстроечный резистор | 22 кОм | 1 | |
| Разьем | RS-232 | 1 |
30.10.2025 | Категория: Интернет